DDR Anhänger HP500 - HP750 mit Pendelarm
Im Anhänger Center Berlin finden Sie ein umfangreiches, lagerndes Sortiment an Ersatzteilen für die DDR Anhänger Modelle HP500 - HP750 und DDR Wohnwagen mit Pendelarm. Sollten Sie sich unsicher sein oder das benötigte DDR Ersatzteil online nicht finden, kontaktieren Sie uns gerne über unseren WhatsApp-Service unter 0176/48700100 oder nutzen Sie unser Kontaktformular . Wir helfen Ihnen, die passenden Teile für Ihren DDR Anhänger oder DDR Wohnwagen zu finden!

Sortiment
- Aufbau
- Elektrik
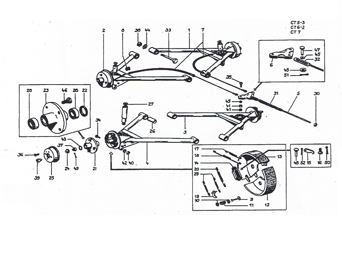
- Fahrwerk
- Felgen / Bereifung
DDR Anhänger & Wohnwagen mit Pendelarm
DDR Anhänger und Wohnwagen mit Pendelarm-Technologie zeichnen sich durch eine spezielle Achskonstruktion aus, die für eine besondere Fahrstabilität und Langlebigkeit sorgt. Diese Bauweise war in der DDR weit verbreitet und wurde bei verschiedenen Anhängern und Wohnwagenmodellen eingesetzt. Hier sind die Hauptmerkmale und Eigenschaften solcher Fahrzeuge:
Eigenschaften von DDR Anhängern und Wohnwagen mit Pendelarm:
Pendelarmkonstruktion:
- Der Pendelarm ist eine spezielle Achskonstruktion, bei der die Achsschenkel an einem schwenkbaren Arm montiert sind, der an einem festen Punkt am Rahmen befestigt ist. Diese Bauweise ermöglicht eine unabhängige Bewegung der Räder, was zu einer besseren Anpassung an unebene Fahrbahnen führt.
- Diese Konstruktion sorgt für eine verbesserte Straßenlage und erhöhten Fahrkomfort, da die Räder unabhängig voneinander arbeiten können.
Fahrkomfort und Stabilität:
- Durch die Pendelarmachse wird der Fahrkomfort erheblich verbessert, insbesondere auf unebenen Straßen oder im Gelände. Die Anhänger und Wohnwagen neigen weniger zum Schaukeln und bieten eine stabilere Fahrt.
- Die Belastungen, die während der Fahrt auftreten, werden gleichmäßiger auf den Rahmen übertragen, was die Haltbarkeit des Fahrzeugs erhöht.
Einsatzbereich:
- DDR Anhänger und Wohnwagen mit Pendelarm-Technologie wurden häufig für verschiedene Einsatzbereiche verwendet, darunter Freizeit, Camping und kleinere Transporte. Sie waren besonders beliebt für ihre Zuverlässigkeit und ihre Fähigkeit, mit unterschiedlichen Straßenbedingungen gut zurechtzukommen.
- Diese Anhänger wurden oft in Kombination mit mechanischen oder hydraulischen Auflaufeinrichtungen genutzt, um die Bremswirkung zu verbessern und die Sicherheit beim Transport zu erhöhen.
Wartung und Langlebigkeit:
- Anhänger und Wohnwagen mit Pendelarm erfordern regelmäßige Wartung, insbesondere an den Pendelarmen selbst, um eine lange Lebensdauer zu gewährleisten. Die Lager und Gelenke müssen geschmiert und auf Verschleiß überprüft werden.
- Trotz der Notwendigkeit regelmäßiger Wartung sind Pendelarm-Anhänger für ihre Langlebigkeit und Robustheit bekannt. Viele dieser Anhänger sind auch heute noch im Einsatz.
Gewichtsverteilung und Zuladung:
- Die Pendelarmkonstruktion trägt zu einer gleichmäßigen Gewichtsverteilung bei, was die Tragfähigkeit und Stabilität des Anhängers oder Wohnwagens verbessert. Dies ist besonders wichtig bei Anhängern mit höherer Nutzlast oder bei Wohnwagen, die gleichmäßig beladen werden müssen.
- Die Bauweise erlaubt eine relativ hohe Zuladung bei vergleichsweise geringem Eigengewicht, was die Effizienz dieser Fahrzeuge erhöht.
Kompatibilität und Zubehör:
- DDR Anhänger und DDR Wohnwagen mit Pendelarm sind oft mit verschiedenen Zubehörteilen und Erweiterungen kompatibel, wie etwa Stützrädern, zusätzlichen Bremsanlagen oder speziellen Kupplungssystemen. Diese Fahrzeuge lassen sich häufig an individuelle Bedürfnisse anpassen.
- Ersatzteile für Pendelarm-Fahrzeuge sind in spezialisierten Shops und bei Fachhändlern erhältlich, was die Instandhaltung und Reparatur erleichtert.
Typische Modelle:
- Einige der gängigen DDR-Anhänger und DDR Wohnwagenmodelle mit Pendelarm sind z.B. der HP400, HP500, und verschiedene QEK-Wohnwagenmodelle (z.B. Qek Junior, Qek Aero).
- Diese Modelle waren in den DDR-Ländern weit verbreitet und sind auch heute noch bei Liebhabern und Sammlern gefragt.
Zusammenfassung:
DDR Anhänger und Wohnwagen mit Pendelarm-Technologie bieten eine hervorragende Kombination aus Stabilität, Komfort und Langlebigkeit. Ihre spezielle Achskonstruktion macht sie besonders gut geeignet für unterschiedlichste Straßenverhältnisse und Einsatzzwecke. Trotz ihres Alters sind diese Fahrzeuge, dank ihrer robusten Bauweise und einfachen Wartungsmöglichkeiten, immer noch sehr geschätzt und weit verbreitet.